
Tôle de sécurité galvanisée avec 2 languettes pour le blocage des vis et des écrous sur ton cyclomoteur, ton vélomoteur et ta petite moto.
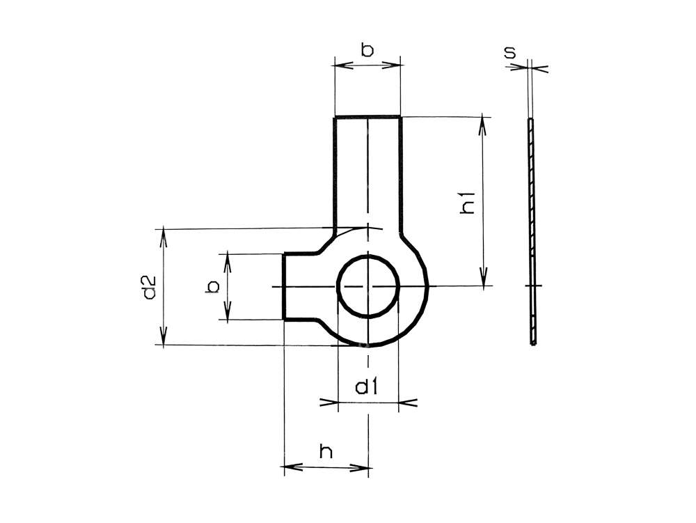
Dimensions selon le dessin technique (figure 2):
Ø ; intérieur (d1) : 15.2 mm
Ø ; extérieur (d2) : 27.5 mm
Largeur (b) : 11.9 mm
H&H (h) : 17 mm
H&H (h1) : 30 mm
Epaisseur (s) : 1 mm
Matériau : acier galvanisé
.| Matériau | Acier |
| Longueur totale | 17 mm |
| Ø intérieur | 15.2 mm |
| Ø extérieur | 27.5 mm |
| Surface | galvanisé bleu |
| Taille du filetage | M14 |
| Largeur | 11.9 mm |
| Nombre de lobes | 2 pcs |
| Épaisseur | 1 mm |
| Longueur 2 | 30 mm |
| Largeur 2 | 11.9 mm |
Accessories & Related Products
Les fans de mobylette aussi acheté
Entraînement de tachymètre Transval 17" avec graisseur
Fabricant: Transval · Matériau: Aluminium · Type de filetage: MF10x1 (filetage fin) · Couleur: gris · Taille des roues: 17 " · Ø extérieur: 41 mm · Arbre de tachymètre à 4 pans: 1.8 mm · Ø axe: 11 mm · Largeur totale à l'extérieur: 60 mm · Lieu d'utilisation: à droite · Lieu d'utilisation: à gauche · Ø trou de fixation: 11 mm · Hauteur totale: 52 mm
CHF 29.90


